35 Watt Stereo Amplifier
In this video we will see how to build an audio amplifier, with the TDA7377 integrated circuit
More info and updates --> https://rogerbit.com/wprb/2022/05/amplificador-estereo-de-35-watts/
In this video we will see how to build an audio amplifier, with the TDA7377 integrated circuit, and some electronic components such as low-cost capacitors and resistors.
The TDA7377 IC is a 2 X 30 W automotive audio power amplifier featuring
new Class AB technology. Thanks to its uniquely complementary structure of output and internal gain, it delivers the best possible power performance with extremely low component count. The onboard clip detector simplifies understanding of the gain operation. Fault diagnosis makes it possible to detect errors during mounting in the car radio and wiring in the car.
Electronic components
A TDA7377 integrated circuit

Pinout

TECHNICAL SPECIFICATIONS:
- Manufacturer STMicroelectronics
- Audio amplifier
- Class AB
- Output 35 W
- Stereo type
- Multiwatt-15 housing
- Supply voltage Max. 18 V
- Supply voltage Min. 8 V
- Channels 2
Data sheet —> datasheet
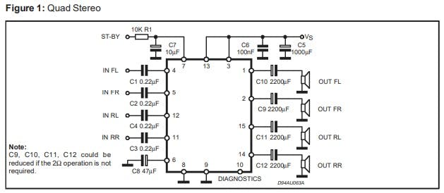
Different amplifier configurations



A 1K resistor

A 10 uF x 25 volt capacitor

25Kohm Dual Linear Potentiometer

Two 047 uF polyester capacitors

A 47 uF x 25 volt capacitor (minimum)

A 0.1 uF ceramic disc capacitor

A 1000 uF x 25 volt capacitor

Five double terminals

A heatsink for the TDA7377 integrated circuit

Thermal paste
![]()
A 5mm led

A screw with a nut

A 10k resistor

A pcb

Download the pcb —> Amplifier with tda7377